+86 (411) 6263 1905 E-mail: gmfittings@vip.sina.com








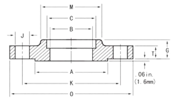
CLASS 150 ANSI B16.5

Note:
•All dimensions are in millimeters
•These flanges may be supplied with a flat face. The flat face may be either the full T dimension of thickness plus 1.6mm or the T dimension thickness without the raised face height
•The flange dimensions illustrated are for regularly furnished 1.6mm raised face (except lapped)
•Dimensions in Column 13 correspond to the inside diameters of pipe as given in ASME B36.10M for standard wall pipe. Thickness of standard wall is the same as Schedule 40 in sizes NPS 10 and smaller
•The length of the stud bolt does not include the height of the points
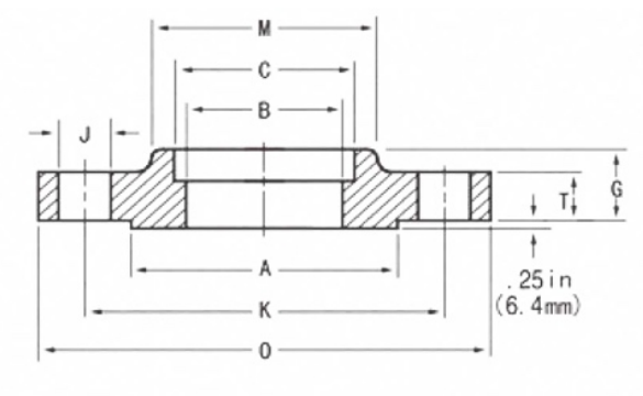
CLASS 300 ANSI B16.5

Note:
•All dimensions are in millimeters
•This dimension is for the large end of the hub,which may be straight or tapered. Taper shall not exceed 7 deg on threaded, slip-on, socket-welding, and lappe flanges. This dimension is defined as the diameter at the intersection between the hub taper and back face of the flange.
•This fanges may be supplied with a flat face. The flat face may be either the full T dimension of thickness plus 1.6mm or the T dimension thickness without the raised face height.
•The flange dimensions illustrated are for reqularly furnshed 1.6mm raised face (except lapped).
•Dimensionsin Column 13 correspond to the inside diameters of pipe as given in ASME B36.10M for standard wall pipe Thickness of standard wall is the same as schedule 40 in sizes NPS 10 and smaller.
•The length of the stud bolt does not include the height of the points.

CLASS 600 ANSI B16.5

Note:
•All dimensions are in millimeters
•This dimension is for the large end of the hub, which may be straight or tapered.Taper shall not exceed 7 deg on threaded, slip-on, socket-welding, and lapped flanges
•This dimension is defined as the diameter at the intersection between the hub taper and back face of the flange
•The length of the stud bolt does not include the height of the points.
CLASS 1500 ANSI B16.5

Note:
•All dimensions are in millimeters
•This dimension is for the large end of the hub, which may be straight or tapered. Taper shall not exceed 7 deg on threaded, slip-on, socket-welding, and lapped flanges
This dimension is defined as the diameter at the intersection between the hub taper and back face of the flange
•The length of the stud bolt does not include the height of the points.