
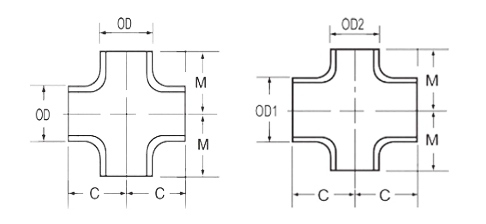
ASME/ANSI B16.9

Note:
•All dimensions are in millimeters
•Outlet dimension M for NPS 26 and larger is recommended but not required
•Dimension is applicable to crosses NPS 24 and smaller
ASME/ANSI B16.9






Note: 
•All dimensions are in millimeters
•Outlet dimension M for run size NPS 14 and larger is recommended but not required